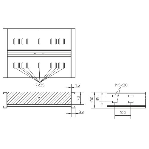
Samonośne korytko kablowe, wysokość=100 mm.
Samonośne korytko kablowa wyposażone w perforowane wzdłużnice. Korytko utrzymuje ciągłość potencjału zgodnie z DIN EN 61537. Do montażu przewidziano dedykowane łączniki.
Produkt dostępny jest również w wykonaniu ze stali kwasoodpornej, materiał 1.4571 / 1.4404 (V4A).












