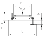
Screed flush duct, 1-compartment
Screed-flush duct, open system with removable covers for the horizontal duct course.
Consisting of pre-assembled aluminium side profiles with rubber seal, dummy covers made of steel sheet, cross beams, screed anchors and carpet profiles.
Can be separated using seperating strips.
