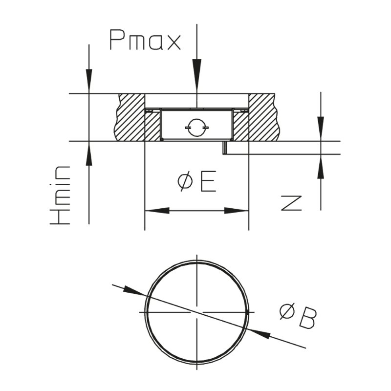
Cleaning socket, single, round, levelable.
Round cleaning socket made of high-grade steel sheet with a hem. Incl. white single isolated ground receptacle. As levellable unit with tube cover, retainer box made of sheet steel. For direct installation in screed floors. Suitable for rooms with low floor build-up and wet-cleaned floor coverings. Designed for office traffic loads.

