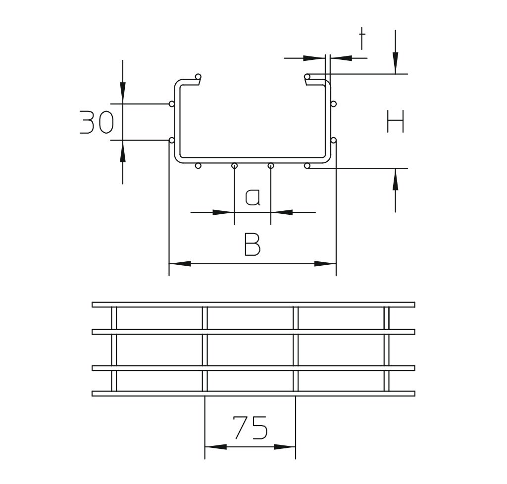
Wire mesh cable tray, height=60 mm
Wire mesh cable tray, C-shape, heavy-duty, certified including electrical conductivity according to DIN EN 61537/VDE 0639
Wire mesh cable tray, height=60 mm
Wire mesh cable tray, C-shape, heavy-duty, certified including electrical conductivity according to DIN EN 61537/VDE 0639
| Name | H[mm] | B[mm] | L[mm] | a[mm] | t[mm] | A[cm2] | Qsk[kN/m] | G[kg] | |
|---|---|---|---|---|---|---|---|---|---|
| GI 06S |
75
|
76
|
3000
|
30
|
4,5
|
33
|
0,05
|
4,10
|
|
| GI 12S |
75
|
136
|
3000
|
30
|
4,5
|
67
|
0,1
|
5,16
|
|
| GI 20S |
75
|
216
|
3000
|
30
|
4,5
|
113
|
0,17
|
5,57
|
|
| GI 30S |
75
|
316
|
3000
|
30
|
4,5
|
165
|
0,25
|
6,83
|
| Name | H[mm] | B[mm] | L[mm] | a[mm] | t[mm] | A[cm2] | Qsk[kN/m] | G[kg] | |
|---|---|---|---|---|---|---|---|---|---|
| GI 06F |
75
|
76
|
3000
|
30
|
4,5
|
33
|
0,05
|
4,39
|
|
| GI 12F |
75
|
136
|
3000
|
30
|
4,5
|
67
|
0,1
|
5,52
|
|
| GI 20F |
75
|
216
|
3000
|
30
|
4,5
|
113
|
0,17
|
5,96
|
|
| GI 30F |
75
|
316
|
3000
|
30
|
4,5
|
165
|
0,25
|
7,31
|
| Name | H[mm] | B[mm] | L[mm] | a[mm] | t[mm] | A[cm2] | Qsk[kN/m] | G[kg] | |
|---|---|---|---|---|---|---|---|---|---|
| GI 06E |
75
|
76
|
3000
|
30
|
4,5
|
33
|
0,05
|
4,12
|
|
| GI 12E |
75
|
136
|
3000
|
30
|
4,5
|
67
|
0,1
|
5,19
|
|
| GI 20E |
75
|
216
|
3000
|
30
|
4,5
|
113
|
0,17
|
5,60
|
|
| GI 30E |
75
|
316
|
3000
|
30
|
4,5
|
165
|
0,25
|
6,87
|
| Name | H[mm] | B[mm] | L[mm] | a[mm] | t[mm] | A[cm2] | Qsk[kN/m] | G[kg] | |
|---|---|---|---|---|---|---|---|---|---|
| GI 06E4 |
75
|
76
|
3000
|
30
|
4,5
|
33
|
0,05
|
4,18
|
|
| GI 12E4 |
75
|
136
|
3000
|
30
|
4,5
|
67
|
0,1
|
5,25
|
|
| GI 20E4 |
75
|
216
|
3000
|
30
|
4,5
|
113
|
0,17
|
5,67
|
|
| GI 30E4 |
75
|
316
|
3000
|
30
|
4,5
|
165
|
0,25
|
7,01
|