Your cart is empty

  • Systemy samonośne

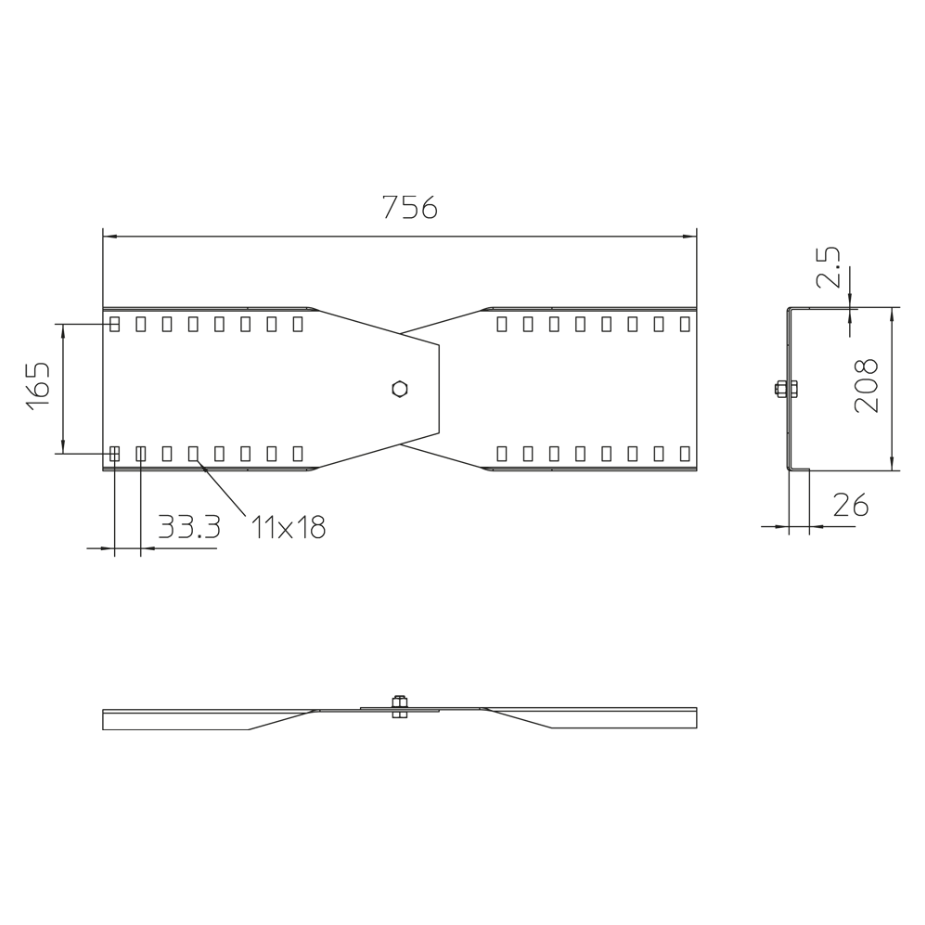
WLVV 200

Declaration of conformity

Łącznik pionowy samonośnej drabinki / korytka kablowego, wysokość=200 mm.

Zastosowanie łącznika zapewnia drabinkom kablowym utrzymanie ciągłości potencjału zgodnie z DIN EN 61537.

Continously hot galvanized (Sendzimir process) (DIN EN 10346)

Name H[mm] L[mm] B[mm] t[mm] G[kg]
WLVV 200S
203
756
26
2,50
3,73
+

Hot-dip galvanized, according to BS 729 (EN ISO 1461)

Name H[mm] L[mm] B[mm] t[mm] G[kg]
WLVV 200F
203
756
26
2,50
4,00
+