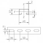
C-rail, perforated, 40x22 mm
Profile rail 40x22x2.00 mm, with continuous perforation 11x30, slot size 18 mm
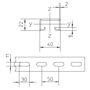
C-rail, perforated, 40x22 mm
Profile rail 40x22x2.00 mm, with continuous perforation 11x30, slot size 18 mm
| Name | H[mm] | B[mm] | L[mm] | t[mm] | G[kg] | |
|---|---|---|---|---|---|---|
| KHA 8-01F |
22
|
40
|
100
|
2
|
0,2
|
|
| KHA 8-02F |
22
|
40
|
200
|
2
|
0,3
|
|
| KHA 8-03F |
22
|
40
|
300
|
2
|
0,5
|
|
| KHA 8-04F |
22
|
40
|
400
|
2
|
0,6
|
|
| KHA 8-05F |
22
|
40
|
500
|
2
|
0,8
|
|
| KHA 8-06F |
22
|
40
|
600
|
2
|
0,9
|
|
| KHA 8-07F |
22
|
40
|
700
|
2
|
1,1
|
|
| KHA 8-08F |
22
|
40
|
800
|
2
|
1,3
|
|
| KHA 8-09F |
22
|
40
|
900
|
2
|
1,4
|
|
| KHA 8-10F |
22
|
40
|
1000
|
2
|
1,6
|
|
| KHA 8-11F |
22
|
40
|
1100
|
2
|
1,7
|
|
| KHA 8-12F |
22
|
40
|
1200
|
2
|
1,9
|
|
| KHA 8-13F |
22
|
40
|
1300
|
2
|
2
|
|
| KHA 8-14F |
22
|
40
|
1400
|
2
|
2,2
|
|
| KHA 8-15F |
22
|
40
|
1500
|
2
|
2,4
|
|
| KHA 8-20F |
22
|
40
|
2000
|
2
|
3,1
|
|
| KHA 8-30F |
22
|
40
|
3000
|
2
|
4,7
|
|
| KHA 8-60F |
22
|
40
|
6000
|
2
|
9,4
|