Your cart is empty

  • Konstrukcje nośne

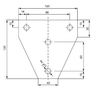
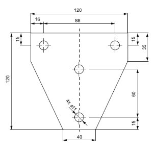
U-122

Declaration of conformity

Connection plate symetrical

Continously hot galvanized (Sendzimir process) (DIN EN 10346)

Name H[mm] B[mm] L[mm] G[kg]
U-122S
120
120
40
0,2
+

Hot-dip galvanized, according to BS 729 (EN ISO 1461)

Name H[mm] B[mm] L[mm] G[kg]
U-122F
120
120
40
0,22
+