Your cart is empty

  • Konstrukcje nośne

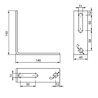
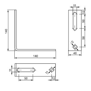
U-121

Declaration of conformity

Corner angle

Hot-dip galvanized, according to BS 729 (EN ISO 1461)

Name H[mm] B[mm] L[mm] G[kg]
U-121F
140
40
140
0,25
+