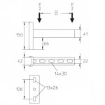
Bracket, standard, profile 41 F49
Handle bracket as standard version for KDAG 41, A/KHA 21/41/42/82.
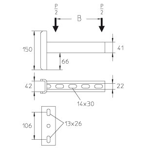
Bracket, standard, profile 41 F49
Handle bracket as standard version for KDAG 41, A/KHA 21/41/42/82.
| Name | B[mm] | L[mm] | Pmax[kN] | G[kg] | |
|---|---|---|---|---|---|
| KA 41-010F |
100
|
125
|
4,3
|
1
|
|
| KA 41-015F |
150
|
175
|
4,3
|
1,1
|
|
| KA 41-020F |
200
|
225
|
4,3
|
1,2
|
|
| KA 41-025F |
250
|
275
|
4,3
|
1,4
|
|
| KA 41-030F |
300
|
325
|
4,3
|
1,5
|
|
| KA 41-040F |
400
|
425
|
4,3
|
1,6
|
|
| KA 41-050F |
500
|
525
|
4,3
|
1,8
|
|
| KA 41-060F |
600
|
625
|
4,3
|
1,9
|