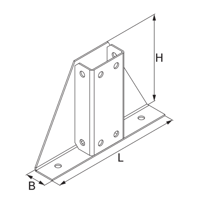
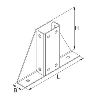
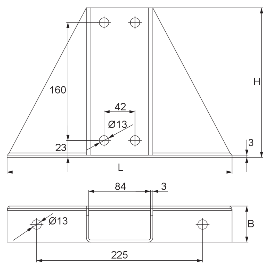
Płyta czołowa, profil KHA 82.
Płyta czołowa służąca do montażu kształtowników o profilu KHA 82 (dwa profile 41). Element może być stosowany do montażu sufitowego lub podłogowego. Płyta ocynkowana metodą zanurzeniowo-ogniową. Akcesoria montażowe, należy zamawiać osobno, w zależności od zastosowania.