Your cart is empty

  • Konstrukcje nośne

HKIQ

Declaration of conformity

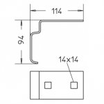
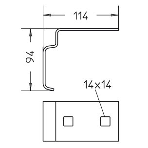
Support connector, KT (I80)

Mounting bracket for 90° joint of two KHI, axes rotated.

Hot-dip galvanized, according to BS 729 (EN ISO 1461)

Name G[kg]
HKIQ F
1,2
+