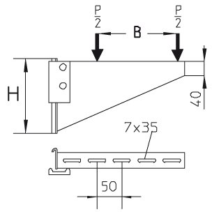
Bracket, heavy, profile I80
Bracket, heavy building class, for ceiling bracket support profile I 80, certified according to DIN EN 61357/VDE 0639.
Bracket, heavy, profile I80
Bracket, heavy building class, for ceiling bracket support profile I 80, certified according to DIN EN 61357/VDE 0639.
| Name | H[mm] | B[mm] | L[mm] | Pmax[kN] | G[kg] | |
|---|---|---|---|---|---|---|
| KTS 020F |
180
|
200
|
280
|
7
|
1,64
|
|
| KTS 030F |
180
|
300
|
380
|
6,3
|
2
|
|
| KTS 040F |
180
|
400
|
480
|
5,5
|
2,38
|
|
| KTS 050F |
180
|
500
|
580
|
4,9
|
2,74
|
|
| KTS 060F |
180
|
600
|
680
|
4,3
|
3,1
|
|
| KTS 070F |
180
|
600
|
780
|
3,6
|
3,47
|
|
| KTS 080F |
180
|
600
|
880
|
3
|
3,83
|
|
| KTS 090F |
180
|
600
|
980
|
2,3
|
4,19
|
|
| KTS 100F |
180
|
600
|
1080
|
1,7
|
4,56
|