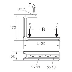
Ceiling fixed bracket
Ceiling fixed bracket light duty, suspension length 170 mm
Ceiling fixed bracket
Ceiling fixed bracket light duty, suspension length 170 mm
| Name | H[mm] | B[mm] | L[mm] | Pmax[kN] | Fd/P | G[kg] | |
|---|---|---|---|---|---|---|---|
| DKSL 010S |
170
|
100
|
120
|
1,28
|
3,1
|
0,620
|
|
| DKSL 020S |
170
|
200
|
220
|
0,95
|
2,1
|
0,790
|
|
| DKSL 030S |
170
|
300
|
320
|
0,86
|
2,7
|
0,940
|
|
| DKSL 040S |
170
|
400
|
420
|
0,61
|
3,3
|
1,110
|
| Name | H[mm] | B[mm] | L[mm] | Pmax[kN] | Fd/P | G[kg] | |
|---|---|---|---|---|---|---|---|
| DKSL 010F |
170
|
100
|
120
|
1,59
|
3,1
|
0,660
|
|
| DKSL 020F |
170
|
200
|
220
|
1,09
|
2,1
|
0,840
|
|
| DKSL 030F |
170
|
300
|
320
|
0,99
|
2,7
|
1,000
|
|
| DKSL 040F |
170
|
400
|
420
|
0,69
|
3,3
|
1,180
|