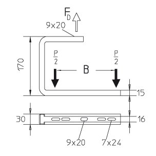
Ceiling fixed bracket
Ceiling fixed bracket, profile rail 30x15 mm
Ceiling fixed bracket
Ceiling fixed bracket, profile rail 30x15 mm
| Name | H[mm] | B[mm] | L[mm] | Pmax[kN] | Fd/P | G[kg] | |
|---|---|---|---|---|---|---|---|
| DB 10S |
170
|
100
|
110
|
0,6
|
1,2
|
0,25
|
|
| DB 20S |
170
|
200
|
210
|
0,4
|
1,1
|
0,36
|
|
| DB 30S |
170
|
300
|
310
|
0,28
|
1,1
|
0,47
|
| Name | H[mm] | B[mm] | L[mm] | Pmax[kN] | Fd/P | G[kg] | |
|---|---|---|---|---|---|---|---|
| DB 10E |
170
|
100
|
110
|
0,5
|
1,2
|
0,3
|
|
| DB 20E |
170
|
200
|
210
|
0,35
|
1,1
|
0,44
|
|
| DB 30E |
170
|
300
|
310
|
0,25
|
1,1
|
0,58
|