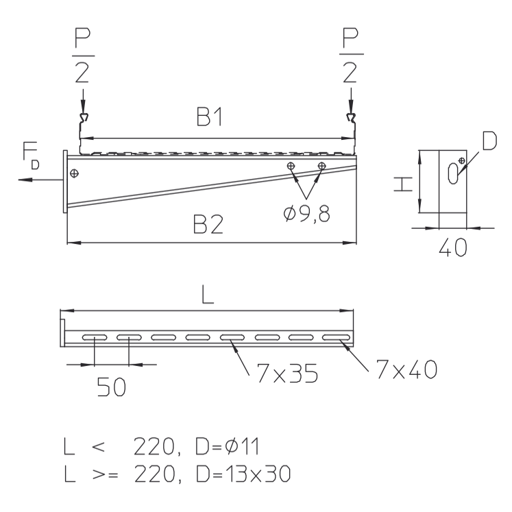
Bracket, standard
Wall/handle bracket as welded version.
Certified according to DIN EN 61537.
Bracket, standard
Wall/handle bracket as welded version.
Certified according to DIN EN 61537.
| Name | H[mm] | B1[mm] | B2[mm] | L[mm] | Pmax[kN] | Fd/P | G[kg] | |
|---|---|---|---|---|---|---|---|---|
| KW 010GV |
45
|
100
|
120
|
124
|
1,40
|
3,10
|
0,120
|
|
| KW 020GV |
70
|
200
|
220
|
225
|
2,00
|
3,00
|
0,299
|
|
| KW 030GV |
70
|
300
|
320
|
326
|
2,00
|
4,00
|
0,409
|
|
| KW 040GV |
90
|
400
|
420
|
420
|
2,40
|
3,60
|
0,702
|
|
| KW 050GV |
110
|
500
|
520
|
528
|
2,10
|
3,40
|
1,238
|
|
| KW 060GV |
110
|
600
|
620
|
628
|
2,10
|
4,00
|
1,447
|
|
| KW 070GV |
110
|
700
|
720
|
728
|
3,00
|
5,68
|
2,120
|
| Name | H[mm] | B1[mm] | B2[mm] | L[mm] | Pmax[kN] | Fd/P | G[kg] | |
|---|---|---|---|---|---|---|---|---|
| KW 010F |
45
|
100
|
120
|
124
|
1,40
|
3,10
|
0,130
|
|
| KW 015F |
45
|
150
|
170
|
174
|
1,40
|
4,10
|
0,165
|
|
| KW 020F |
70
|
200
|
220
|
225
|
2,00
|
3,00
|
0,320
|
|
| KW 030F |
70
|
300
|
320
|
326
|
2,00
|
4,00
|
0,438
|
|
| KW 040F |
90
|
400
|
420
|
426
|
2,40
|
3,60
|
0,751
|
|
| KW 050F |
100
|
500
|
520
|
528
|
2,10
|
3,40
|
1,325
|
|
| KW 060F |
100
|
600
|
620
|
628
|
2,10
|
4,00
|
1,548
|
|
| KW 070F |
100
|
700
|
720
|
728
|
3,00
|
5,68
|
2,268
|
| Name | H[mm] | B1[mm] | B2[mm] | L[mm] | Pmax[kN] | Fd/P | G[kg] | |
|---|---|---|---|---|---|---|---|---|
| KW 010E |
45
|
100
|
120
|
124
|
1,50
|
3,10
|
0,150
|
|
| KW 015E |
45
|
150
|
170
|
174
|
1,50
|
4,10
|
0,250
|
|
| KW 020E |
70
|
200
|
220
|
225
|
1,50
|
3,00
|
0,305
|
|
| KW 030E |
70
|
300
|
320
|
326
|
1,50
|
4,00
|
0,418
|
|
| KW 040E |
90
|
400
|
420
|
426
|
2,20
|
3,60
|
0,723
|
|
| KW 050E |
110
|
500
|
520
|
528
|
2,20
|
3,40
|
1,082
|
|
| KW 060E |
110
|
600
|
620
|
628
|
2,20
|
4,00
|
1,248
|
| Name | H[mm] | B1[mm] | B2[mm] | L[mm] | Pmax[kN] | Fd/P | G[kg] | |
|---|---|---|---|---|---|---|---|---|
| KW 010E4 |
45
|
100
|
120
|
124
|
1,50
|
3,10
|
0,150
|
|
| KW 015E4 |
45
|
150
|
170
|
174
|
1,50
|
4,10
|
0,250
|
|
| KW 020E4 |
70
|
200
|
220
|
225
|
1,50
|
3,00
|
0,307
|
|
| KW 030E4 |
70
|
300
|
320
|
326
|
1,50
|
4,00
|
0,423
|
|
| KW 040E4 |
90
|
400
|
420
|
426
|
2,20
|
3,60
|
0,733
|
|
| KW 050E4 |
110
|
500
|
520
|
528
|
2,20
|
3,40
|
1,096
|
|
| KW 060E4 |
110
|
600
|
620
|
628
|
2,20
|
4,00
|
1,264
|