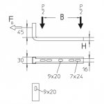
Bracket, light duty
Wall bracket, light duty, made of profile rail 30x15 mm.
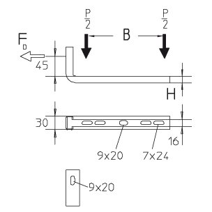
Bracket, light duty
Wall bracket, light duty, made of profile rail 30x15 mm.
| Name | H[mm] | B[mm] | L[mm] | Pmax[kN] | Fd/P | G[kg] | |
|---|---|---|---|---|---|---|---|
| KWLL 010S |
15
|
100
|
110
|
0,3
|
2
|
0,13
|
|
| KWLL 020S |
15
|
200
|
210
|
0,3
|
3
|
0,2
|
|
| KWLL 030S |
15
|
300
|
310
|
0,3
|
4
|
0,28
|
| Name | H[mm] | B[mm] | L[mm] | Pmax[kN] | Fd/P | G[kg] | |
|---|---|---|---|---|---|---|---|
| KWLL 010E |
15
|
100
|
110
|
0,3
|
2
|
0,13
|
|
| KWLL 020E |
15
|
200
|
210
|
0,3
|
3
|
0,2
|
|
| KWLL 030E |
15
|
300
|
310
|
0,3
|
4
|
0,28
|