Wspornik poziomy, standardowy.
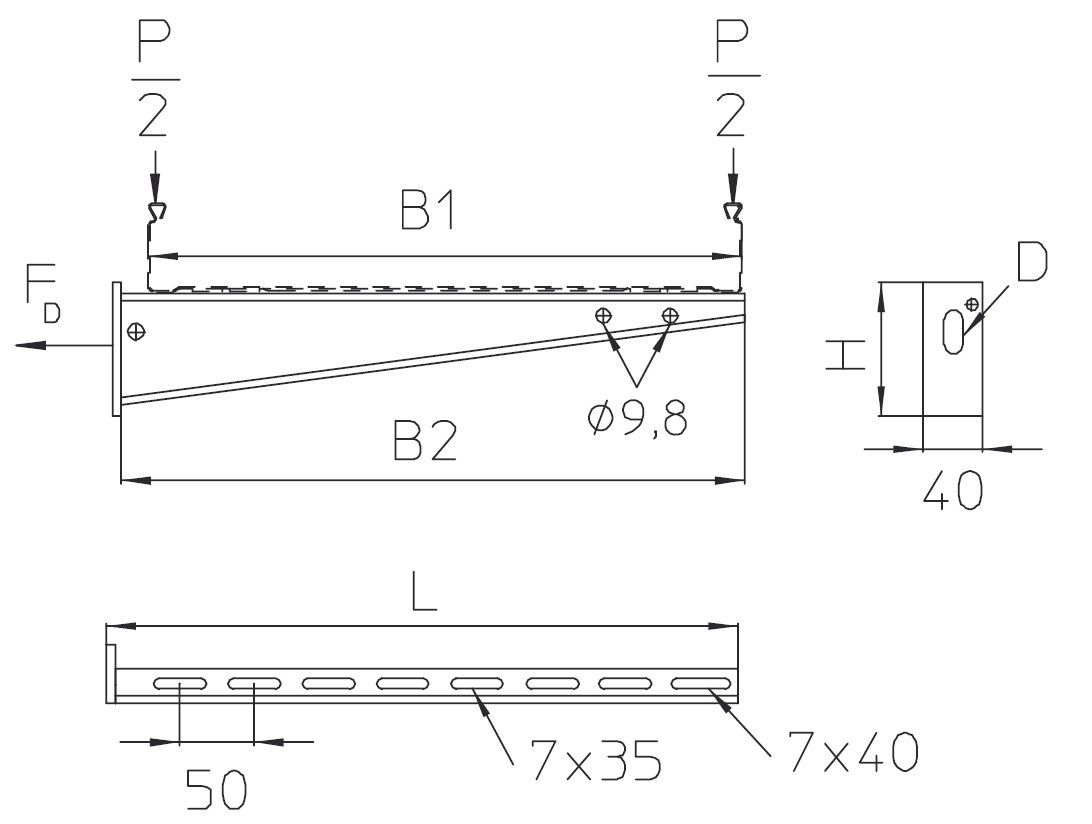
Wspornik ścienny, standardowy z dospawanym panelem montażowym, testowany zgodnie z DIN EN 61537.
Standardowa odległość pomiędzy wspornikami wraz z dodatkowym podparciem realizowanym za pomocą pręta gwintowanego w systemie normatywnym zgodnie z normą DIN 4102-12 wynosi maksymalnie 1,2 metra.
Produkt dostępny jest również w wykonaniu ze stali kwasoodpornej, materiał 1.4571 / 1.4404 (V4A).
