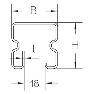
Support rail for light fittings
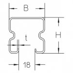
Support rail for light fittings
| Name | H[mm] | B[mm] | L[mm] | t[mm] | G[kg] | |
|---|---|---|---|---|---|---|
| KPR 40 |
40
|
40
|
6000
|
1,5
|
10,8
|
|
| KPR 40-3 |
40
|
40
|
3000
|
1,5
|
5,4
|