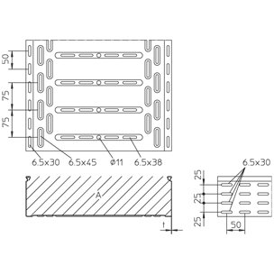
Cable tray, heavy, perforated, height=110 mm
Heavy cable tray perforated, head shape suitable for positive locking covers, with longitudinal and lateral reinforcing rims reducing bottom deflection, certified including electrical conductivity according to DIN EN 61537













