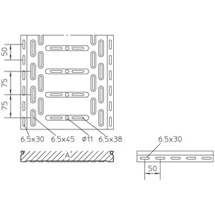
Cable tray, perforated, height=35 mm
Cable tray perforated, head shape suitable for positive locking covers, with longitudinal and lateral reinforcing rims reducing bottom deflection, certified including electrical conductivity according to DIN EN 61537













